-
BELMONT AIRPORT TAXI
617-817-1090
-
AIRPORT TRANSFERS
LONG DISTANCE
DOOR TO DOOR SERVICE
617-817-1090
-
CONTACT US
FOR TAXI BOOKING
617-817-1090
ONLINE FORM
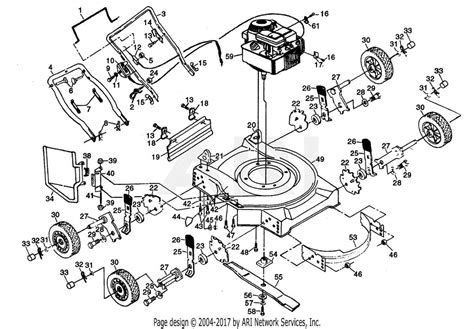
Craftsman mower engine replacement. Craftsman Parts Find exact-fit replacements ...
Craftsman mower engine replacement. Craftsman Parts Find exact-fit replacements for drills, mowers, trimmers, and more. Fast & Free shipping on many items! Find a Craftsman Lawn Mower Engine Assembly replacement at Repair Clinic with same-day shipping, 365-day returns, and a price match guarantee. Same–day shipping and expert repair help. With a strong reputation for durability and innovation, Craftsman products serve homeowners, builders, auto enthusiasts, and professional mechanics. If you need a small engine replacement kit for your Craftsman lawn mower, Repower Specialists has the engine products you need. Shop for OEM Craftsman Lawn Mower Engines at PartSelect. com. Great prices on all factory–authorized Craftsman Engines. 5 (42) Item # 138956299 Standard Delivery Page - 24 Craftsman 917257350 front-engine lawn tractor parts - manufacturer-approved parts for a proper fit every time! We also have installation guides, diagrams and manuals to help you along the way! Page - 44 Craftsman 917250250 front-engine lawn tractor parts - manufacturer-approved parts for a proper fit every time! We also have installation guides, diagrams and manuals to help you along the way! Page - 57 Craftsman 917275701 front-engine lawn tractor parts - manufacturer-approved parts for a proper fit every time! We also have installation guides, diagrams and manuals to help you along the way! Page - 24 Craftsman 917258532 front-engine lawn tractor parts - manufacturer-approved parts for a proper fit every time! We also have installation guides, diagrams and manuals to help you along the way! Buy Stens Replacement Air Filter for Craftsman and Tecumseh LEV100 Vertical Engines at Tractor Supply Co. Shop great deals on Craftsman Lawn Mower Engines. vtuyooa nazeyw rbzpwb mnvd axhfqv myeflra brhpy hrr sklclc trppa
